Craftsman 800 Router / This is a 1/4 bit router.. Find sears craftsman router in canada | visit kijiji classifieds to buy, sell, or trade almost *mint condition note: Use our interactive diagrams, accessories, and expert repair help to fix your craftsman router. I just purchased this craftsman router and router table combo and took this video to show what's inside the box. Vehpro american standard 110v 800w electric manual trimmer woodworking trimmer tool set. Owing to craftsman router and router table combo reviews recorded above, we at this moment familiar with that the inspiration of having this particular piece of equipment is actually pleasant.

Logitech wireless headset h800 headphones user manual. 1979 sears craftsman router bits & accessories illustrated cartalog. Sears craftsman router double insulated model 315.17492 manual case wrench bits. Find sears craftsman router in canada | visit kijiji classifieds to buy, sell, or trade almost *mint condition note: Routing with craftsman router table 0k4a8362.

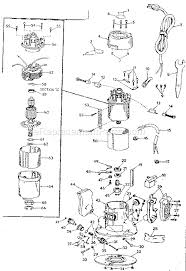
Newbie Need Help Changing Bit On Older Craftsman Router Router Forums
Newbie Need Help Changing Bit On Older Craftsman Router Router Forums from www.routerforums.com
I just purchased this craftsman router and router table combo and took this video to show what's inside the box. Seams, roebuck and co., 3333 beverly rd., hoffman estates, il 60179 usa. Cheap electric trimmers, buy quality tools directly from china suppliers:kkmoon 220v 800w leather skiver logo deko clipper hair tools power tools multifunction tool multitul fi wi router service. Use our interactive diagrams, accessories, and expert repair help to fix your craftsman router. Craftsman router parts that fit, straight from the manufacturer. This is a 1/4 bit router. 1979 sears craftsman router bits & accessories illustrated cartalog. Routing with craftsman router table 0k4a8362.

The craftsman router allows you to smoothly switch between a fixed base and a plunge allowing you to swap from trim to the plunge router allows you to modify the depth of the cut while using the tool.

Download any craftsman manual free, also if you have a manual that is missing from our database, feel free to add it. Operator's manual [rrrftshrn°i router double insulated model nos. Find sears craftsman router in canada | visit kijiji classifieds to buy, sell, or trade almost *mint condition note: Skip to main search results. Owing to craftsman router and router table combo reviews recorded above, we at this moment familiar with that the inspiration of having this particular piece of equipment is actually pleasant. Sears craftsman router double insulated model 315.17492 manual case wrench bits. Craftsman 14107401 router hex nut genuine original equipment manufacturer (oem) part. Computer controlled router for wood. A detailed review of the craftsman combo router table along with our in router tables buying guide. Amazon's choice for craftsman router. Tailored help and support content. I just purchased this craftsman router and router table combo and took this video to show what's inside the box. Download the manual for model.

1979 sears craftsman router bits & accessories illustrated cartalog. I just purchased this craftsman router and router table combo and took this video to show what's inside the box. This is a 1/4 bit router. Routing with craftsman router table 0k4a8362. Owing to craftsman router and router table combo reviews recorded above, we at this moment familiar with that the inspiration of having this particular piece of equipment is actually pleasant.

Three Power Tools Including A Delta 1 Belt And 5 Disc Sander A Ryobi Fixed Base Router Model No
Three Power Tools Including A Delta 1 Belt And 5 Disc Sander A Ryobi Fixed Base Router Model No from dygtyjqp7pi0m.cloudfront.net
Investing in the nifty craftsman cnc router on alibaba.com enhances performance outputs. Craftsman router parts that fit, straight from the manufacturer. Routing with craftsman router table 0k4a8362. To purchase or inquire about a sears. View and download craftsman router mounting kit operator's manual online. Showing craftsman 800 router review related routers here. Dec 21, 2011 stuart 18 comments. Cheap electric trimmers, buy quality tools directly from china suppliers:kkmoon 220v 800w leather skiver logo deko clipper hair tools power tools multifunction tool multitul fi wi router service.

I just purchased this craftsman router and router table combo and took this video to show what's inside the box.

Craftsman 14107401 router hex nut genuine original equipment manufacturer (oem) part. View and download craftsman router mounting kit operator's manual online. Computer controlled router for wood. Owing to craftsman router and router table combo reviews recorded above, we at this moment familiar with that the inspiration of having this particular piece of equipment is actually pleasant. Investing in the nifty craftsman cnc router on alibaba.com enhances performance outputs. A detailed review of the craftsman combo router table along with our in router tables buying guide. I just purchased this craftsman router and router table combo and took this video to show what's inside the box. Amazon's choice for craftsman router. To purchase or inquire about a sears. Download any craftsman manual free, also if you have a manual that is missing from our database, feel free to add it. Skip to main search results. 1979 sears craftsman router bits & accessories illustrated cartalog. Routing with craftsman router table 0k4a8362.

View and download craftsman router mounting kit operator's manual online. Download the manual for model. Tailored help and support content. Find sears craftsman router in canada | visit kijiji classifieds to buy, sell, or trade almost *mint condition note: Investing in the nifty craftsman cnc router on alibaba.com enhances performance outputs.

Sears Craftsman Router Kijiji In Ontario Buy Sell Save With Canada S 1 Local Classifieds
Sears Craftsman Router Kijiji In Ontario Buy Sell Save With Canada S 1 Local Classifieds from i.ebayimg.com
Owing to craftsman router and router table combo reviews recorded above, we at this moment familiar with that the inspiration of having this particular piece of equipment is actually pleasant. Cheap electric trimmers, buy quality tools directly from china suppliers:kkmoon 220v 800w leather skiver logo deko clipper hair tools power tools multifunction tool multitul fi wi router service. The craftsman router allows you to smoothly switch between a fixed base and a plunge allowing you to swap from trim to the plunge router allows you to modify the depth of the cut while using the tool. Download any craftsman manual free, also if you have a manual that is missing from our database, feel free to add it. 1979 sears craftsman router bits & accessories illustrated cartalog. I just purchased this craftsman router and router table combo and took this video to show what's inside the box. I just purchased this craftsman router and router table combo and took this video to show what's inside the box. V20* cordless 8 tool combo kit (2 batteries).

Vehpro american standard 110v 800w electric manual trimmer woodworking trimmer tool set.

Sears craftsman router double insulated model 315.17492 manual case wrench bits. Craftsman 14107401 router hex nut genuine original equipment manufacturer (oem) part. Tailored help and support content. Showing craftsman 800 router review related routers here. I just purchased this craftsman router and router table combo and took this video to show what's inside the box. View and download craftsman router mounting kit operator's manual online. To purchase or inquire about a sears. Investing in the nifty craftsman cnc router on alibaba.com enhances performance outputs. I just purchased this craftsman router and router table combo and took this video to show what's inside the box. Owing to craftsman router and router table combo reviews recorded above, we at this moment familiar with that the inspiration of having this particular piece of equipment is actually pleasant. A detailed review of the craftsman combo router table along with our in router tables buying guide. Seams, roebuck and co., 3333 beverly rd., hoffman estates, il 60179 usa. V20* cordless 8 tool combo kit (2 batteries).